-
在那些著名的联轴器泵联轴器校直泵联轴器厂家中,它是国内专业的供应商,欢迎批发联轴器泵联轴器校直泵联轴器从我厂。
联轴器泵轴联轴器校准泵轴联轴器
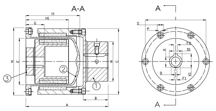
磁力联轴器简介
磁力联轴器由外磁转子、内磁转子和隔离罩组成。外磁转子与电机连接,外露在外。内磁转子与泵轴集成在一起,整个转子包含在泵壳和间隔套中,并浸入输送介质中。
位于内外转子之间的间隔套固定在泵壳上,使泵壳与隔离套成为一个相互连接的完全密封的腔体。
半岛综合体育官方登录磁体沿周向紧密排列在内转子外柱面和外转子内柱面上,形成推挽组合磁路。

GME磁力联轴器的优点半岛体育电竞靠谱吗安卓版
1.机加工设备不断更新,确保产品加工精度和生产能力。
2.PEEK高性能隔离单元由专业的专用机械生产,确保质量稳定可靠。
3.PEEK非金属材料可以减少甚至完全避免涡流损耗。
4.激光焊接热影响区小,加热迅速集中,热应力低,激光自动焊接,保证了焊缝密封的一致性和可靠性。
GME泵联轴器规格半岛体育电竞靠谱吗安卓版


磁力联轴器报价所需的规格资料
1.电机输出功率(KW)
2.电动机转速(RPM)
3.磁力联轴器转矩
4.机壳(隔离套)工作压力
5.磁力联轴器的工作温度
6.输出部分连接器尺寸(通常是电机)
7.输入部分(通常是泵)的技术图纸/安装尺寸

在那些著名的联轴器泵联轴器校直泵联轴器厂家中,它是国内专业的供应商,欢迎批发联轴器泵联轴器校直泵联轴器从我厂。
相关产品

























