-
在那些著名的联轴器泵联轴器动力传动联轴器制造商中,它是中国专业的供应商,欢迎批发联轴器泵联轴器动力传动联轴器从我厂。
联轴器轴泵联轴器动力传动联轴器
动力传动联轴器简介
磁力联轴器是一种新型联轴器,它是利用磁性元件传递转矩的。它是高压容器的危险内外部件之间传递扭矩的理想选择。磁力联轴器是实现非接触转矩传递和完全无泄漏的关键部件。
磁力联轴器由外磁转子、内磁转子和隔离罩组成。外磁转子与电机连接,外露在外。内磁转子与泵轴集成在一起,整个转子包含在泵壳和间隔套中,并浸入输送介质中。
位于内外转子之间的间隔套固定在泵壳上,使泵壳与隔离套成为一个相互连接的完全密封的腔体。
半岛综合体育官方登录磁体沿周向紧密排列在内转子外柱面和外转子内柱面上,形成推挽组合磁路。
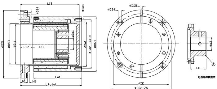
GME泵联轴器尺寸半岛体育电竞靠谱吗安卓版


磁力联轴器报价所需的规格资料
电机输出功率(KW)
电动机转速(RPM)
磁力联轴器转矩
机壳(隔离套)工作压力
磁力联轴器的工作温度
输出部分连接器尺寸(通常是电机)
输入部分(通常是泵)的技术图纸/安装尺寸
操作流程
磁力联轴器是各运动机构的中间连接部分,它对各运动机构的正常运行有着直接的影响。
因此,在使用时必须小心:
磁力联轴器不允许有超过规定的轴斜和径向位移。如果问题严重,传动能力会下降,最终导致传动部件报废。
A:轴向倾斜会引起内外转子与隔离套摩擦,最终导致转子和隔离套卡死报废。
B:内/外转子轴承安装问题,最终导致转子和隔离套卡死报废。
C:磁力联轴器外部附件如安装的机架或螺栓等不得有松动缺陷。
D:一定要清理金属碎片,注意转子内/外表面没有金属碎片。
E:安装完毕后,手动转动电机风叶,确保机组运转平稳,无堵塞现象。
F:轴承应定期润滑,通常为2-3个月,以避免严重磨损造成严重后果。
G:磁力联轴器的键要配合紧密,不能松动。
在那些著名的联轴器泵联轴器动力传动联轴器制造商中,它是中国专业的供应商,欢迎批发联轴器泵联轴器动力传动联轴器从我厂。























