-
那些著名的新月磁铁月牙形磁铁弧磁铁制造商,在中国这是一个半岛综合体育官方登录专业的供应商,欢迎批发新月磁铁月牙形磁铁弧磁铁从我们的工厂。

新月磁铁新月形状的半岛综合体育官方登录磁铁弧磁铁
钕磁铁弧/新月磁铁/新月形状半岛综合体育官方登录的磁铁是钕磁铁的基本形状。这种类型的磁铁可以用于各种各样的应用程序;电弧磁铁半岛综合体育官方登录/新月磁铁/新月形状的磁铁通常用于电机、永磁电机、发电机、风力涡轮机、转矩耦合和硬盘。他们也使用弧磁铁需要形成一个圆柱体。半岛综合体育官方登录
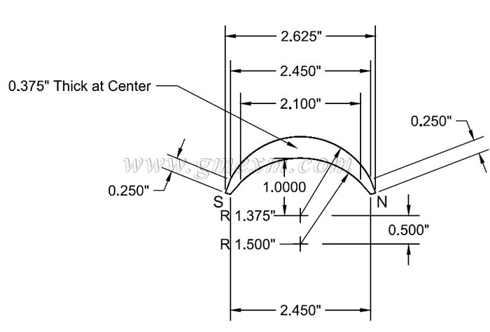
下面是我们的一个非常特殊的形状弧磁铁/新月磁铁/新月形状的磁铁为我们的美国客户,用我们半岛综合体育官方登录的磁铁在发电机。
工程图的弧磁铁/新月磁铁/新月形状的磁铁半岛综合体育官方登录

的3 d查看弧磁铁/新月磁铁/新月形状的磁铁半岛综合体育官方登录

热门标签:新月磁铁新月形状的磁铁弧磁铁半岛综合体育官方登录,中国工厂,制造商,供应商,批发
相关产品


























