-
那些著名的反应器耦合制造商,在中国这是一个专业的供应商,欢迎批发搅拌器耦合、磁耦合在化学反应器,化学反应器耦合、磁耦合泵、搅拌器的耦合从我们的工厂。
介绍磁耦合
永磁联轴器传输扭矩从一个轴,但使用磁力而不是物理机械连接。主要部分的耦合是追随者和司机。司机被连接到一个电动机,当追随者对司机的运动,这导致机械能的传播没有接触。

半岛体育电竞靠谱吗安卓版GME耦合可以传递扭矩从0.15到1000海里两轴之间通过磁力没有机械接触。联轴器经常用来消除任何可能的流体泄漏的泵永远没有维护。他们可以设计适合不同的机械在不改变系统。
磁耦合的特性
·寿命长,维护成本低
非常高的效率和密封
·没有接触的扭矩传输元素和永久磁铁半岛综合体育官方登录
·密封的驾驶和驱动方面的分离
·从0.15到1000 Nm扭矩和扭矩过载保护
不需要动态轴密封
·容忍轴失调
·滑动轴承可选
常用的真空,液体泵
磁耦合的优点
从泵轴·消除流体泄漏。
不传输泵振动。
·增加安全和节约能源和维护所需的耦合。
·标准泵不允许使用昂贵的机械密封。
·没有额外成本采购机械密封备件和维护。
·联轴器可以定制,以适应不同的机械。
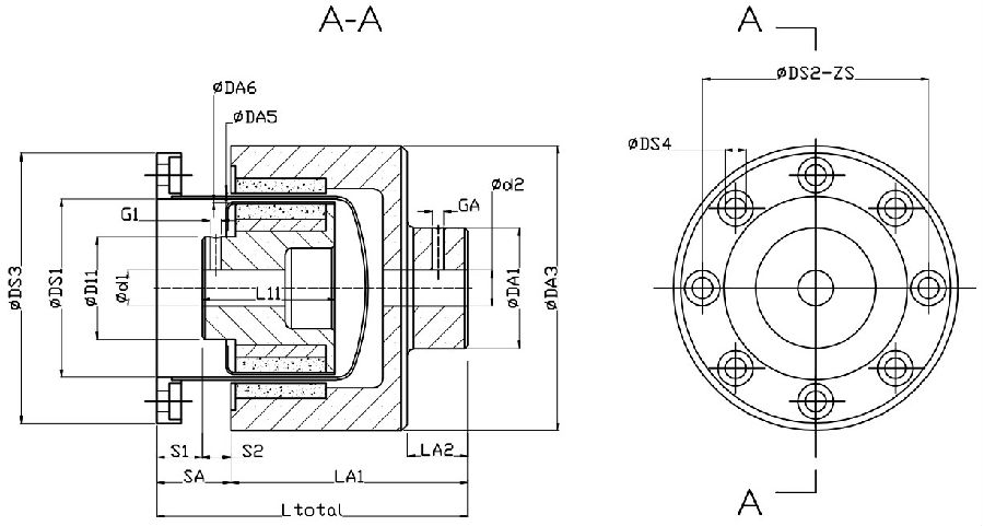
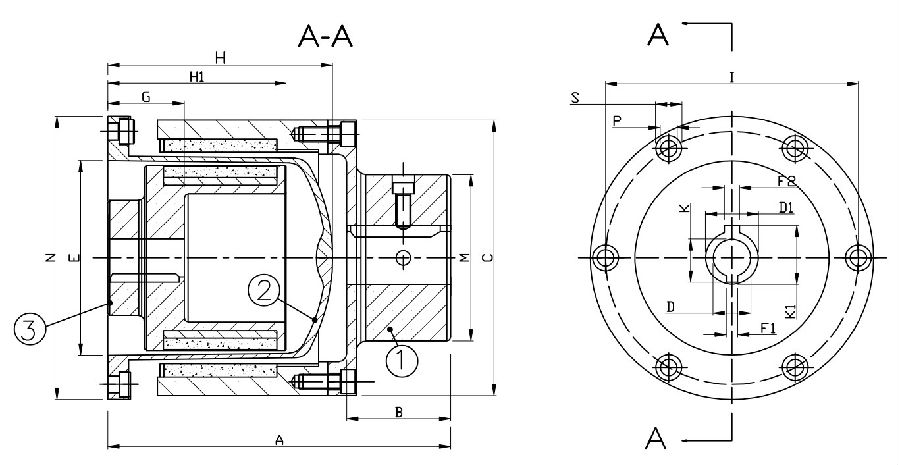
建设磁耦合

不。
描述
材料
1
分离器研究环
铝6082
2
钟形罩
铝6082
3
遏制裹尸布(分隔符)
符合美国钢铁协会的304或TECHNOPOLYMER
4
电机侧法兰
铝6082
5
泵侧法兰
铝6082
6
O形圈
氟橡胶或聚四氟乙烯
7
O形圈
氟橡胶或聚四氟乙烯
8
电机中心
铝6082
9
泵中心
铝6082
10
内部转子
Fe520
11
外部转子
Fe520
设计考虑的电磁耦合
1)操作环境的耦合
2)耦合的目标差距
3)年度联轴节的使用需求
4)耦合旋转/线性速度(转/分)
5)所需的机械特性,比如安装孔,裹尸布,轴尺寸等。
6)流体的粘滞性
磁耦合的选择——技术数据指定正确的耦合
液体/气体
流体的粘滞性(cSt)
流体温度(°C)
环境最低温度。(°C)
驱动轴(通常是电动机侧)
输入功率(千瓦)
极数
名义操作速度(转速)
电机转矩(Nm)
类型的电动机启动(直接/软/逆变器)
从动轴(通常是泵侧)
泵的类型
泵的尺寸
泵安装位置(水平/垂直)
泵吸入压力(Bar)
Max。压力泵进气口(Bar)
Max。出口压力泵(Bar)
Max。在最大位移。压力和分钟变量中风(cm³/牧师)
尺寸的磁铁耦合
GDSA系列


GDSB系列


GDSM系列


国民幸福指数系列


检测设备的磁耦合

应用磁耦合
沃豪分公司由于其优势,加工工厂磁耦合广泛应用在半岛体育电竞靠谱吗安卓版各个领域,如生物技术、化工、水下设备,制药工业,化学工业,食品工业,发电机、水资源管理等。

































