-
本产品采用推拉原理。接通电后,吸收滑杆,引入顶杆推动物体。可用于某些高温环境下的推拉。可用于面包机、多炉具等。温度可达180摄氏度。
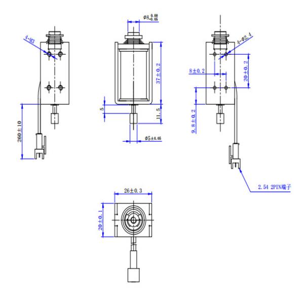
1.电磁铁的大小:37毫米长26毫米宽20毫米高

2.电磁铁力-行程和功率:
1mm力行程:功率25N
5mm力行程:功率10N
8mm力行程:功率5N
力-冲程通电率
0毫米
1毫米
5毫米
8毫米
10毫米
12毫米
10%
2300年的女朋友
1800年的女朋友
1200年的女朋友
700年的女朋友
480年的女朋友
300年的女朋友
25%
1600年的女朋友
1300年的女朋友
600年的女朋友
250年的女朋友
200年的女朋友
160年的女朋友
50%
1250年的女朋友
900年的女朋友
300年的女朋友
200年的女朋友
160年的女朋友
120年的女朋友
100%
1000年的女朋友
600年的女朋友
200年的女朋友
120年的女朋友
100年的女朋友
60岁的女朋友

3.电磁铁耐温等级:
可以选择,耐温等级越高,成本就越高。
年级
一个
E
B
F
H
C
温度(℃)
105
120
130
155
180
220
4.电磁铁通电率:
电气化率意味着什么?它与两个因素有关:用户给电磁铁充电多长时间,用户多久给电磁铁充电一次?
可选择5%、10%、25%、50%、75%、100%电气化率。
通电率=通电时间/(通电时间+断电时间)*100%
5.电磁铁的力量:
功率与产品的功率率有关。如果本产品功率为5%,则功率为40W左右。如果100%的功率率是10W左右,那就不一样了。
电气化率
10%
25%
50%
100%
权力(W)
40
16.5
8.2
4.0
6.电磁铁滑杆:
客户可以选择与图形不同的形状,也可以根据样品进行定制。

7.电磁铁的顶杆:
客户可以选择与图形不同的形状,也可以根据样品进行定制。

8.电磁铁线:
您可以选择不同的连接方式或不同的终端,如下图所示。
9.更多的细节:


热标签:耐高温电磁铁,中国,工厂,制造商,供应商,批发


















